RCCN WeChat QrCode
Mobile WebSite
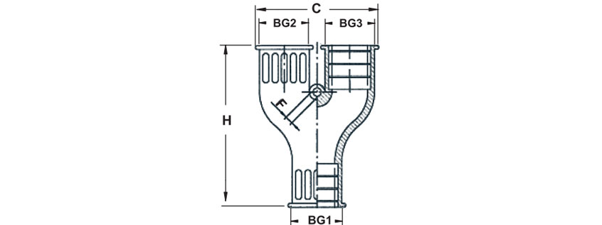
|
Item No. |
Conduit item no BG2×BG3/BG1 |
Outer dia. BG2 |
Outer dia. BG3 |
Outer dia. BG1 |
Fix hole F |
length H |
Width C |
Std.Pkg. pcs |
| BGY2×10.0/13.0B | 2×10.0/13.0 | BG-07 | BG-07 | BG-10 | 4 | 63.0 | 36.0 | 10PCS |
| BGY2×13.0/15.8B | 2×13.0/15.8 | BG-10 | BG-10 | BG-12 | 4 | 66.0 | 45.0 | |
| BGY2×15.8/21.2B | 2×15.8/21.2 | BG-12 | BG-12 | BG-17 | 4 | 75.0 | 52.0 | |
| BGY2×15.8/28.5B | 2×15.8/28.5 | BG-12 | BG-12 | BG-23 | 4 | 75.0 | 52.0 | |
| BGY2×21.2/28.5B | 2×21.2/28.5 | BG-17 | BG-17 | BG-23 | 4 | 68.0 | 60.5 | |
| BGY2×28.5/34.5B | 2×28.5/34.5 | BG-23 | BG-23 | BG-29 | 4 | 86.0 | 77.0 | |
| BGY2×34.5/42.5B | 2×34.5/42.5 | BG-29 | BG-29 | BG-36 | 4 | 98.5 | 89.0 | |
| BGY2×42.5/54.5B | 2×42.5/54.5 | BG-36 | BG-36 | BG-48 | 4 | 116.0 | 109.5 |


| Products | *Company | Name | |||
|---|---|---|---|---|---|
| *Moblie | Telephone | Address | |||
| QQ | |||||
| Message | |||||